Durchflussmessumformer | RRH
ehemals bekannt unter "Rototron"
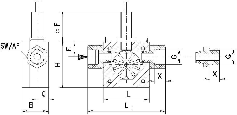
Der Durchflussmesser besteht aus einem Flügelrad, das durch das strömende Medium in Rotation versetzt wird. Die Drehzahl des Rotors ist proportional zur Durchflussmenge pro Zeit. Der Rotor ist mit Magneten bestückt. Die Aufnahme der durchflussproportionalen Drehzahl geschieht durch einen Hall-Sensor.
- unkompliziertes Messen von Durchflussraten
- Metallgehäuse mit Hall-Sensor
- Arbeitsdruck bis 100 bar
- lange Lebensdauer durch hochwertige Keramikachse und Spezialkunststofflager
- keine Ein- und Auslaufstrecken erforderlich
- modulare Bauweise mit unterschiedlichen Anschlusssystemen
- Anschlüsse steck- und drehbar
- Ausgangssignal PNP oder NPN
- eigensicheres Verhalten
- optional Rückschlagventile, Filter, Durchflusskonstanter in den Anschlüssen
Technische Daten:
| Anwendung: | Durchfluss, Messen, Überwachen |
| Medium: | Wasser (Öle und Luft/Gase auf Anfrage) |
| Gesamtmessbereich: | siehe Datenblatt |
| Anschluss: | DN 10 oder DN 25 Innen-/Außengewinde oder Schlauchtülle, CW614N vernickelt, 1.4305 |
| Eckdaten: | PN 100 bar, Medientemperatur 0°C bis +100°C |
| elektrische Daten: | Hall-Sensor |
auch in den Ausführungen:
LABO-RRH: inkl. Auswerteelektronik mit Analogausgang oder Schaltfunktion
FLEX-RRH: inkl. Auswerteelektronik mit Analogausgang und Schaltfunktion
OMNI-RRH: inkl. Auswerteelektronik mit Analogausgang, Schaltfunktion und Anzeige
(siehe unten: empfohlenes Zubehör)
Die genauen Spezifikationen entnehmen Sie bitte dem folgenden Datenblatt:
![]() |
|
Durchflussmessumformer | RRH-010.MMehemals bekannt unter "Rototron"
auch in den Ausführungen: LABO-RRH: inkl. Auswerteelektronik mit Analogausgang oder Schaltfunktion FLEX-RRH: inkl. Auswerteelektronik mit Analogausgang und Schaltfunktion OMNI-RRH: inkl. Auswerteelektronik mit Analogausgang, Schaltfunktion und Anzeige (siehe unten: empfohlenes Zubehör) Die genauen Spezifikationen entnehmen Sie bitte dem folgenden Datenblatt:
627,00 EUR inkl. 19 % USt-> Preis zzgl. Versandkosten bzw. Fertigungszeit variiert - bitte erfragen! |
Durchflussmessumformer | RRH-010.KKehemals bekannt unter "Rototron"
auch in den Ausführungen: LABO-RRH: inkl. Auswerteelektronik mit Analogausgang oder Schaltfunktion FLEX-RRH: inkl. Auswerteelektronik mit Analogausgang und Schaltfunktion OMNI-RRH: inkl. Auswerteelektronik mit Analogausgang, Schaltfunktion und Anzeige (siehe unten: empfohlenes Zubehör) Die genauen Spezifikationen entnehmen Sie bitte dem folgenden Datenblatt:
827,00 EUR inkl. 19 % USt-> Preis zzgl. Versandkosten bzw. Fertigungszeit variiert - bitte erfragen! |
Durchflussmessumformer | RRH-025.MMehemals bekannt unter "Rototron"
auch in den Ausführungen: LABO-RRH: inkl. Auswerteelektronik mit Analogausgang oder Schaltfunktion FLEX-RRH: inkl. Auswerteelektronik mit Analogausgang und Schaltfunktion OMNI-RRH: inkl. Auswerteelektronik mit Analogausgang, Schaltfunktion und Anzeige (siehe unten: empfohlenes Zubehör) Die genauen Spezifikationen entnehmen Sie bitte dem folgenden Datenblatt:
679,00 EUR inkl. 19 % USt-> Preis zzgl. Versandkosten bzw. Fertigungszeit variiert - bitte erfragen! |
Durchflussmessumformer | RRH-025.KKehemals bekannt unter "Rototron"
auch in den Ausführungen: LABO-RRH: inkl. Auswerteelektronik mit Analogausgang oder Schaltfunktion FLEX-RRH: inkl. Auswerteelektronik mit Analogausgang und Schaltfunktion OMNI-RRH: inkl. Auswerteelektronik mit Analogausgang, Schaltfunktion und Anzeige (siehe unten: empfohlenes Zubehör) Die genauen Spezifikationen entnehmen Sie bitte dem folgenden Datenblatt:
903,00 EUR inkl. 19 % USt-> Preis zzgl. Versandkosten bzw. Fertigungszeit variiert - bitte erfragen! |




