Vorortelektronik für frequenzgebende Messer | ESA1-RR
584,00 EUR
inkl. 19 % USt -> Preis zzgl. Versandkosten
Lieferzeit bzw. Fertigungszeit variiert - bitte erfragen!
Art.Nr.: ESA1-RRProduktbeschreibung
Kann nur zusammen mit Primärsensor RRI/RRH bestellt werden!
Allgemeines:
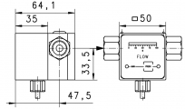
Die Elektronik besteht aus einem Primärsensor, der in der Lage ist die Rotorflügel des Durchflussmessers zu detektieren (je nach Material des Gebers induktiv oder Hall-Sensor) und einem kalibrierbaren F/U-Wandler, der die detektierte Frequenz auf einer Trendanzeige darstellt und über ein einstellbares Potentiometer den Komparator und somit den "min Schaltwert" einstellen lässt. Schalter öffnet bei Mangel (<Schaltpunkt).
- kompakte Vorortanzeige und Schaltmodul für Durchflussmessumformer RRI/H
- Schaltpunkt einblendbar
- Einstellung des Schaltwertes ohne Prozessbedienung
- Anzeige des Schaltwertes über rote LED-Meldeleuchte
Technische Daten:
Anwendung: | kompakte Vorortanzeige und Schaltmodul |
Betriebstemperatur: | max. 60°C |
elektrische Daten: | Versorgung 24 V DC Leistungsaufnahme 1,5 W Schließer (24 V DC, 24 W) |
elektrischer Anschluss: | für Rundsteckverbinder M12x1, 4-polig, Option Kabelabgang |
Schutzart: | IP 60 |
Die genauen Spezifikationen entnehmen Sie bitte dem folgenden Datenblatt:


![]() |
Empfohlenes Zubehör | Weitere Artikel
![]() |
Durchflussmessumformer | RRI0,00 EUR |
![]() |
Durchflussmessumformer | RRH0,00 EUR |
![]() |
Rundsteckverbinder 4-/5-polig | K...PU...0,00 EUR |