Verteilerblock | VB
394,00 EUR
inkl. 19 % USt -> Preis zzgl. Versandkosten
Lieferzeit bzw. Fertigungszeit variiert - bitte erfragen!
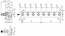
Art.Nr.: VBProduktbeschreibung
Allgemeines:
Verteilerblock für Einzel- oder Mehrplatzsysteme und integriertem Nadelventil für manuelle Durchflussregelung.
Technische Daten:
Messstellenanzahl: | 1...8 |
Anschluss: | G 3/4 Innengewinde, Aluminium auf Anfrage: G 1/2 Innengewinde, Messing oder Edelstahl |
Eckdaten: | PN 25 bar (NJ/NJV), PN 10 bar (VL), Medientemperatur -20°C bis +110°C (NJ/NJV), -20°C bis +100°C (VL) |
Die genauen Spezifikationen entnehmen Sie bitte dem folgenden Datenblatt:


![]() |