magnetic inductive flow probe | FIS
general information:
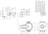
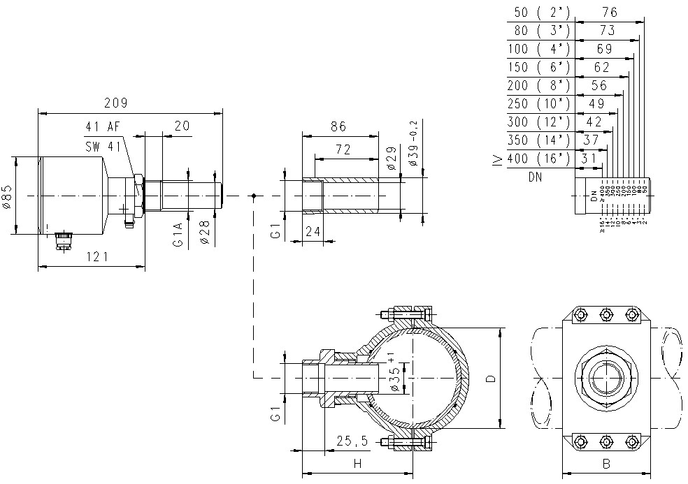
The magnetic inductive probe FIS are installed into the pipe by means of the supplied welding socket (DN 50 to DN 400) or the mounting clip made of plastic (DN 50 bis DN 150). The complete measurement probe is removable without creating an aperture to the medium. Therefore in case of a defect only the electronic part must be replaced. When an electrical conductor moves vertical to the magnetic field, the movement induces a voltage U in this conductor. With this measurement principle the electrical conductive medium is the conductor. The magnetic field B is located transversely to the flow direction. The induced voltage U is directly proportional to the local flow speed v.
- measurement of flow in conductive fluids (4 mA to 20 mA)
- a measurement probe for a wide range of pipe diameters
- high quality materials
- no moving parts
- cahnge of sensor without loss of medium
specifications:
appliance: | flow, measurement |
medium: | conductive, largely homogeneous liquids, pastes and slurries, also with solid content |
measuring ranges: | final value 1 m/s to 8 m/s with steps of 1 m/s |
connection: | DN 25 welding socket, stainless steel DN 50 to DN 150 tapping sleeve, PP |
basic data: | operating pressure max. 25 bar (welding socket), max. 10 bar (tapping sleeve) temperature of medium -25°C to +150°C |
electrical data: | supply voltage 24 V DC +10 %, current consumtion 50 mA (at 24 V DC and 20°C) output 4 mA to 20 mA (passive current output) load resistance max. 500 Ohm |
also available as construction type:
OMNI-FIS: evaluation electronic with analog output, switching function and display incl.
(see below: recommended products)
For futher details p.r.t. data sheet:


![]() |
|
![]() |
magnetisch induktive Durchflusssonde | FIS-025VK...
Technische Daten:
auch in der Ausführung: OMNI-FIS: inkl. Auswerteelektronik mit Analogausgang, Schaltfunktion und Anzeige (siehe unten: empfohlenes Zubehör) Die genauen Spezifikationen entnehmen Sie bitte dem folgenden Datenblatt: ![]()
3.450,00 EUR inkl. 19 % USt-> Preis zzgl. Versandkosten bzw. Fertigungszeit variiert - bitte erfragen! |
![]() |
magnetisch induktive Durchflussonde | FIS-...BB
Technische Daten:
auch in der Ausführung: OMNI-FIS: inkl. Auswerteelektronik mit Analogausgang, Schaltfunktion und Anzeige (siehe unten: empfohlenes Zubehör) Die genauen Spezifikationen entnehmen Sie bitte dem folgenden Datenblatt: ![]()
3.560,00 EUR inkl. 19 % USt-> Preis zzgl. Versandkosten bzw. Fertigungszeit variiert - bitte erfragen! |
Empfohlenes Zubehör | Weitere Artikel
![]() |
Rundsteckverbinder 4-/5-polig | K...PU...0,00 EUR |
![]() |
Durchflussmessumformer / -schalter | OMNI-FIS0,00 EUR |