Durchflussanzeiger | HV
114,60 EUR
inkl. 19 % USt -> Preis zzgl. Versandkosten
Lieferzeit bzw. Fertigungszeit variiert - bitte erfragen!
Art.Nr.: HVProduktbeschreibung
Allgemeines:
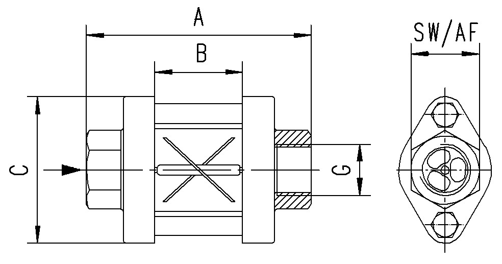
Der Durchflussanzeiger HV dient der zuverlässigen optischen Anzeige von transparenten Flüssigkeiten. Ein signalrotes Turbinenrad führt in einem Glasrohr durchflussabhängige Umdrehungen aus und gibt auf diese Weise eine Indikation der vorliegenden Durchflussmenge.
Das Gerät bietet eine 360° Sicht und ist durch die Konzeption der Lagerung der Turbine auf lange Lebensdauer ausgelegt.
- bidirektional
- 360° sichtbar
Technische Daten:
Anwendung: | Durchfluss, Anzeigen |
Medium: | Wasser (Öle -> Tendenz auf höheren Rotoranlaufwert) |
Anschluss: | G 1/4 bis G 1 Innengewinde, Messing |
Eckdaten: | PN 10 bar, Medientemperatur -20°C bis +100°C |
Die genauen Spezifikationen entnehmen Sie bitte dem folgenden Datenblatt:


![]() |