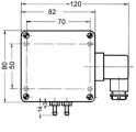
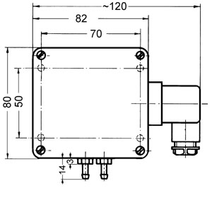
Druckmessumformer | GMUD-MP
259,00 EUR
inkl. 19 % USt -> Preis zzgl. Versandkosten
Lieferzeit in der Regel ca. 1 Woche
Art.Nr.: GMUD-MPProduktbeschreibung
Allgemeines:
mikroprozessorgesteuerter digitaler Druckmessumformer mit Display und 3 Tasten-Bedienung.
Mit frei skalierbarem Analogausgang, der zwischen 4 bis 20 mA und 0 bis 10 V umgeschaltet werden kann.
Codesperre für Eingabe, erst nach Codeeingabe können Parameter geändert werden (Code fest hinterlegt).
Anwendung:
für Luft sowie nichtaggressive Gase
Einsatzgebiete:
Regel-/ Mess- und Überwachungsaufgaben, Klima- / Lüftungstechnik, Umwelt- und
Medizintechnik
Druckarten:
Absolutdruck ist der Druck bezogen auf Vakuum (Nulldruck).
Wenn kein Druck angelegt ist (Druckanschluss offen), wird der Umgebungsdruck angezeigt.
Beispiele: meteorologische Messungen (z.B. 1.013 hPa abs), Vakuumprozesse
Differenzdruck ist der Druckunterschied zwischen 2 Drücken.
Meist werden beide Drücke an jeweils eine Seite der Messmembran angeschlossen, dafür muss der Sensor zwei Druckanschlüsse haben.
Beispiele: Belüftungstechnik/Filter, Staudruckmessungen
Der Relativdruck ist der Differenzdruck zwischen einem Über-/ Unterdruck und dem
Umgebungsdruck.
Bei Relativdruckmessung mit einem Differenzdrucksensor (2 Druckanschlüsse) wird einer der Anschlüsse offen gelassen.
Beispiele: Pneumatik, Reifendruck, Hydraulik
Katalogseite als .pdf:
Bedienungsanleitung als .pdf:


![]() |